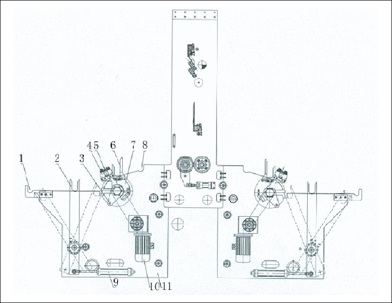
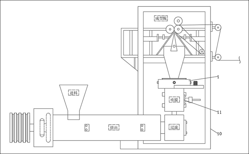
之前發過一篇:吹膜機原理詳解及工藝流程圖,簡單的介紹了吹膜機的工作原理,現收集了網上的8張吹膜機工作原理圖,大家可以收藏研究。








地址:江陰市祝塘鎮金茂路26號
Q Q:1953104993
電話:0510-86335061
郵箱:yxmachinery@sina.cn
選購配置 1.自動吸料機 2.空壓機 3.快速換網 4.旋轉模頭 5.雙風口風環 6.雙工位收卷 7.氣漲軸 8.自動換卷 9.牽引升降 10.米克重 11.鑄鋁加熱圈 12.電暈處理機 13.熱封刀 14.廢邊機 15.寬度控制器 ...
機器特性 吹制各種規格的低密度聚乙烯、高密度聚乙烯和線性低密度聚乙烯塑料薄膜,廣泛應用于食品百貨、日用、化工、針紡品、購物禮袋和工業包裝。機筒、螺桿采用38CrMOAI合金材料經氨化處理精密加工而成具有很好的耐磨和耐腐蝕性。 ...
機器特性 吹制各種規格的低密度聚乙烯、高密度聚乙烯和線性低密度聚乙烯塑料薄膜,廣泛應用于食品百貨、日用、化工、針紡品、購物禮袋和工業包裝。機筒、螺桿采用38CrMOAI合金材料經氮化處理精密加工而成具有很好的耐磨和耐腐蝕性。 ...
機器特性 吹制各種規格的低密度聚乙烯、高密度聚乙烯和線性低密度聚乙烯塑料薄膜,廣泛應用于食品百貨、日用、化工 針紡品、購物禮袋和工業包裝。機筒、螺桿采用38CrMOAI合金材料經氨化處理精密加工而成,具有很好的耐磨和耐腐蝕性。 選購配置 自動吸料機、表面處理、空氣壓縮機、冷風機、氣漲軸。 ...